head_banner_pro

GGF medical IT Isolated system (Cabinet)

● Suitable for distribution system in group 2 medical location

● Using Q235A High Quality Cold Rolled Steel Plate

● Louver type heat dissipation fan

● Various installation types

● IP31


Information

Parameter

Quotation

Download

Characteristic

1

Dimension(Unit: mm)

2
3
4

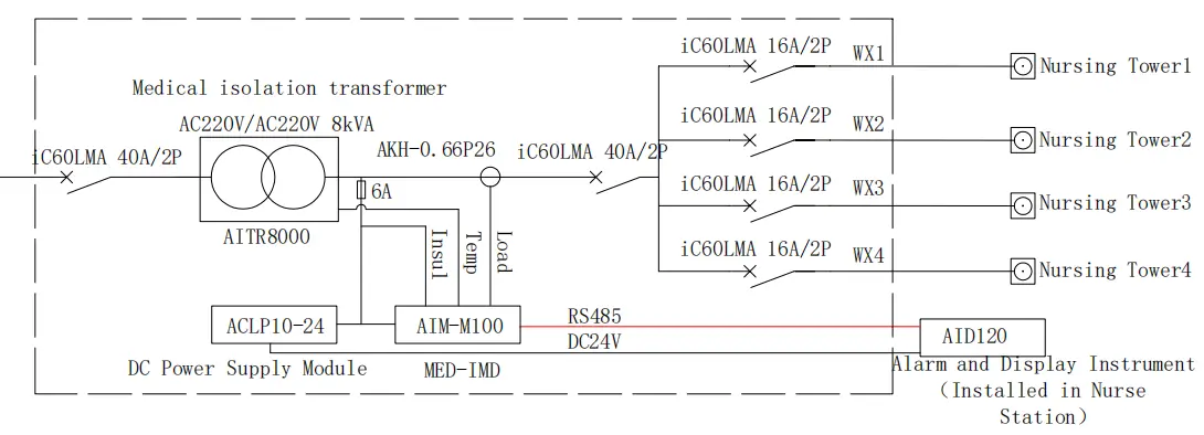
Diagram

5

GGF-O10A Isolation power cabinet system diagram

6

GGF-I8 Isolation power cabinet system diagram

Diagram

7

  • Previous:
  • Next:

  • 1

    2

    Write your message here and send it to us
    -->